Home / Products / Hygienic Drainage / Modular Box Channel / Channel Drain Corner Unit

Channel Drain Corner Unit

Model: MBC125.60B.B
Weld-Free Joints
Adjustable Legs

Designed for durability, hygiene, and efficiency, our modular drainage system features V-Shaped bottoms for enhanced cleaning, slip-resistant gratings, weld-free joints, and multiple surface treatments. With customizable options and quick installation, it ensures reliable performance in demanding environments.

Read More
channel drain corner unit
img-Corner Unit-technology-01
img-Corner Unit-technology-04
img-Corner Unit-technology-03
img-Corner Unit-technology-02
prev
next
channel drain corner unit
img-Corner Unit-technology-01
img-Corner Unit-technology-04
img-Corner Unit-technology-03
img-Corner Unit-technology-02
Request Quote
icon_feature_01

Corrosion Resistant

icon_feature_02

Lightweight Design

icon_feature_03

High Load Capacity

Specifications

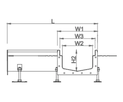
Model No. MBC125.60B.B
L1 514 mm
H2 60 mm
H1 81.5 mm
W1 153 mm
W2 97 mm
W3 125 mm
t 1.5 mm
Material 304/316L

 

For comprehensive information, please see the document available for download below.

Download Brochure
  • Description
    xiajiantou

    The MEA channel drain corner unit provides a critical solution for seamless water flow at directional changes within a modular drainage system. Designed with a hygienic V-shaped base, it accelerates fluid discharge and prevents buildup at transition points, enhancing both flow efficiency and sanitary performance. This unit integrates with modular linear drainage systems using a weld-free, stainless steel structure that supports rigorous hygiene standards and high durability. Customizable to suit specific project layouts, the channel drain corner unit facilitates fast, secure installation and long-term reliability in sensitive or high-performance environments.

    Features

    • V-shaped base improves flow velocity and self-cleaning

    • Corner construction ensures uninterrupted directional drainage

    • Weld-free joints reduce contamination risk and ease cleaning

    • Stainless steel resists corrosion, chemicals, and impact

    • Integrates with modular channels for smooth transitions

    • Surface treatments available for hygiene-critical spaces

    Applications and Benefits

    • Guides water through angled channel layouts without pooling

    • Optimized for food, beverage, lab, and sterile drainage systems

    • Simplifies maintenance and supports compliance with hygiene codes

    • Preserves continuous slope and structural alignment

    • Minimizes installation complexity in tight corner areas

    Installation and Layout Flexibility

    The channel drain corner unit is engineered for seamless installation in modular trench systems, especially at 90° or custom-angled turns. Its calibrated geometry supports consistent gradient control across directional changes. Because the unit arrives pre-configured with connection points, installers can achieve alignment quickly without on-site welding or fabrication. The lightweight, corrosion-resistant stainless body further simplifies handling and placement.

    FAQs

    Q1: What is the function of the channel drain corner unit?

    A: It connects straight channel sections at turns, maintaining smooth, uninterrupted water flow.

    Q2: Is it hygienic enough for food-grade environments?

    A: Yes, its weld-free design and V-shaped base make it suitable for high sanitation areas.

    Q3: How does it integrate with modular drainage systems?

    A: It fits precisely into MEA channel configurations, maintaining uniform width and depth.

    Q4: Can it be customized?

    A: Absolutely. Angle, height, and finish can be tailored to project requirements.

    Q5: Does it support rapid installation?

    A: Yes, the pre-engineered modular form allows fast placement with minimal adjustment.

    Why Choose Channel Drain Corner Unit

    MEA’s channel drain corner unit offers a streamlined solution for projects that require hygienic, high-flow drainage at angular transitions. Unlike traditional welded corners, this modular, stainless steel unit promotes easy installation, long-term cleanliness, and structural precision. Architects, engineers, and facility managers choose it for its performance, reliability, and compliance with strict sanitation demands in commercial and industrial drainage designs.

Related Products